Перейти к содержанию
View in the app

A better way to browse. Learn more.

AUTO-BK.RU FORUM

A full-screen app on your home screen with push notifications, badges and more.

To install this app on iOS and iPadOS
  1. Tap the Share icon in Safari
  2. Scroll the menu and tap Add to Home Screen.
  3. Tap Add in the top-right corner.
To install this app on Android
  1. Tap the 3-dot menu (⋮) in the top-right corner of the browser.
  2. Tap Add to Home screen or Install app.
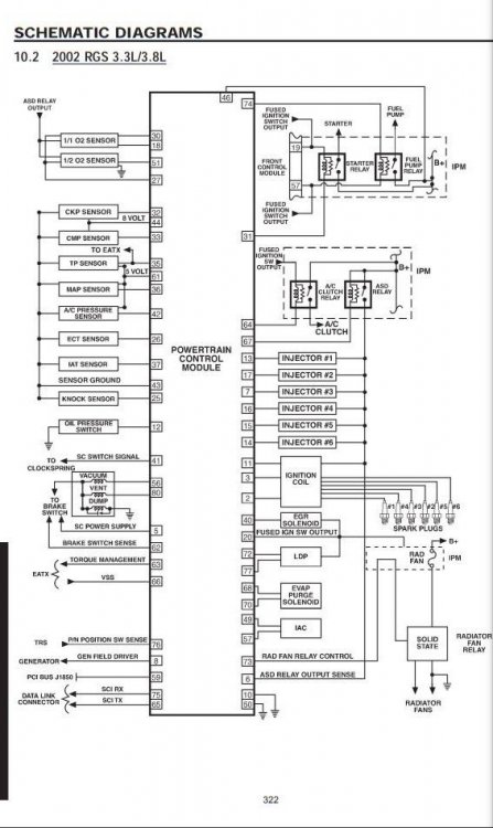
  3. Confirm by tapping Install.

NE555

Участник
  • Зарегистрирован

  • Посещение

  1. В моем случае проводка и автозапуск оказались рабочими, виновником был ЭБУ. Считывал два раза флеш, в первый раз нашел одно отличие в дампе от оригинала, перепрошил, завел, погазовал. Второй раз считал и было уже три различия. Заменил флеш М28F220, перепрошил и проблема ушла. Заодно отключил иммо по просьбе клиента. 150 км полет нормальный. Примечательно, что ошибок по ЭБУ не было никаких. Флеш тихо умирала. Лямбда не ожила, настоятельно рекомендовал заменить.
  2. Решили проблему? У меня результаты такие. Катушки Патрон сдохли обе, одна новая. Заменил свечи, катушку на б/у оригу, машина завелась нормально. Но как прогреется, начинают плавать обороты, загорается Cruise и глохнет. Заводится без проблем, но через несколько секунд глохнет снова. Сигналы с ДПКВ и ДПРВ в норме. Если чуть придерживать педальку, обороты плавают, но не глохнет, ошибок нет. Первая лямбда на скрутках, постоянно висит в богатой смеси 0,9в, на педаль не реагирует. Обнаружил, что реле ASD периодически на долю секунды отключается с разными интервалами. Копаю дальше, есть три версии: ЭБУ Проводка Сигналка с автозапуском.
  3. Часа три назад привезли на эвакуаторе точно такой же Караван, тронутся не возможно, глохнет. Иногда заводится без проблем, иногда с чиханием, иногда не заводится. Свечи черные, мокрые, ошибок нет. В других сервисах меняли свечи, ВВ провода, ДПКВ, ДПРВ, катушку, ДПДЗ, МАП. Перед эвакуатором завелась, после уже нет, высадили АКБ. Стоит сигналка с автозапуском. Понаблюдаю с интересом, выложу свои результаты.
  4. NE555 подписался на americanets
  5. Р0339 - Crankshaft position (CKP) sensor – circuit intermittent (Датчик положения коленчатого вала - ненадежный контакт электрической цепи ), я бы на это обратил внимание. C121C - какая-то нетипичная ошибка для Крайлера. В описании у этого производителя такой ошибки не нашел. Каким сканером читали? И да, осцилку ДПКВ посмотреть бы.
  6. Еще вспомнил. На этих машинах когда мозги в ауте, то лампа чека не загорается при включении зажигания вообще.
  7. Тогда действительно, похоже мозги отъехали. Ошибки 0601 случаем не было до этого? Так и не понял, сканер ЭБУ видит?
  8. Мы же тут не знаем, что вы проверили, что не проверили, всю информацию приходится клещами вытягивать. ЭБУ на связь выходит? В потоке данных нет аномальных показателей? В блоке предов там часто много зелени, машина из-за этого с ума сходит, там проверяли? На минусовой клемме АКБ тонкий черный провод не в обрыве?
  9. Плюс на обмотку реле стартера подается от замка зажигания, а минус от ЭБУ, но только в том случае, если ЭБУ видит положение АКПП в P или N. Для этого 76 пин должен сидеть на массе, иначе стартера не будет.
  10. Управление не сложное. При включении зажигания подается минус на реле ASD . Далее ЭБУ ждет сигнала с ДПКВ, если в течении трех секунд сигнала не поступает, то минус с реле ASD отключается. Как-то так. ДПКВ исправен?
  11. Схема ЭБУ только у производителя, за семью печатями. Поднять плату не повредив её, практически не возможно, если только корпус пилить. Массы пропадают на заведенном или вообще не заводится? Мало информации.
  12. 31 - реле стартера 64 - реле компрессора кондиционера 67 - реле ASD
  13. Вот 513-го блока так и не подвернулось, но зато есть пища для ума. Подвернулся блок 04748420AD с ошибкой 0601, сохранил с него дамп, перешил флеш M28F220 стоком с такого же рабочего блока, не имеющего такой ошибки. Машина заводится, 0601 не появляется. Сравнил оба дампа и увидел одно отличие. В данном конкретном случае 0601- видимо только во флеше. Вот и думай, где она сидит в вашем случае... 420AD stok 3akpp.BIN 420AD сток ошибка 0601.bin
  14. 8613А - похоже это AU5780A Даташит
Яндекс цитирования

Account

Navigation

Поиск

Настройте push-уведомления браузера

Chrome (Android)
  1. Tap the lock icon next to the address bar.
  2. Tap Permissions → Notifications.
  3. Adjust your preference.
Chrome (Desktop)
  1. Click the padlock icon in the address bar.
  2. Select Site settings.
  3. Find Notifications and adjust your preference.