Перейти к содержанию
View in the app

A better way to browse. Learn more.

AUTO-BK.RU FORUM

A full-screen app on your home screen with push notifications, badges and more.

To install this app on iOS and iPadOS
  1. Tap the Share icon in Safari
  2. Scroll the menu and tap Add to Home Screen.
  3. Tap Add in the top-right corner.
To install this app on Android
  1. Tap the 3-dot menu (⋮) in the top-right corner of the browser.
  2. Tap Add to Home screen or Install app.
  3. Confirm by tapping Install.

artur1984g

Master
  • Зарегистрирован

  • Посещение

  1. Здравствуйте нужна помощь по отключению защелки за ранее благодарен 24c16_immo_avenger.bin
  2. Доброго дня мне тоже не понравился форма датчика ДПРВ какой-то он инверсный. Вот что получилось после замены последнего
  3. artur1984g опубликовал тема в Nissan, Infiniti
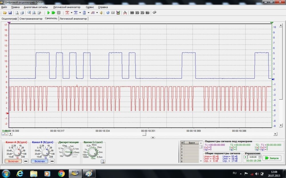
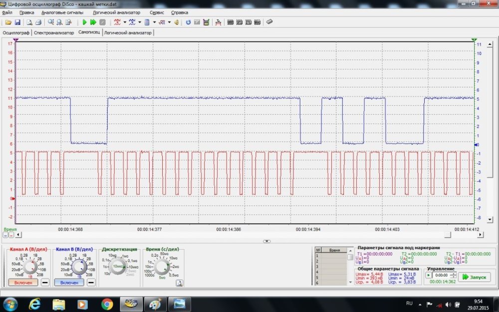
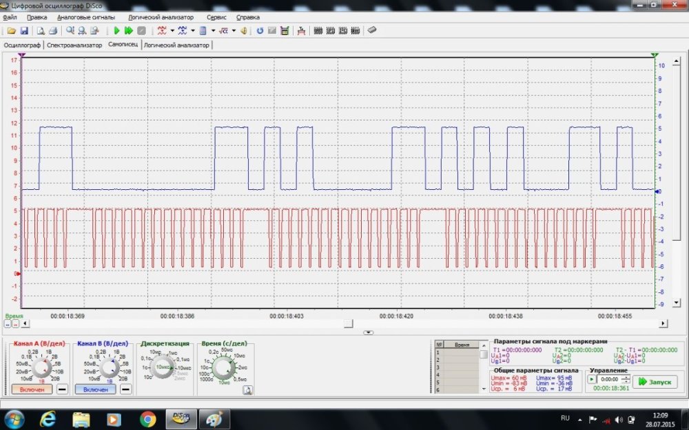
    Всем доброго времени суток снял осциллограмму дпкв и дпрв, выдает ошибку P0340 и на холодную плохо заводится. Не могу понять по эталону нужно менять цепь или нет у кого есть опыт по этому мотору буду признателен.
  4. Здравствуйте нужна помощь по очистке Audi Q7 4L0910655B_CRASH.bin
  5. Здравствуйте можно активировать пожалуйста. C0AF716744C388F297DF2806330DCD00 12.20.024
  6. Спасибо машину завел Тему можно закрывать
  7. и как быть дальше
  8. пробовал все равно не открывается 50 канал
  9. artur1984g подписался на Audi A8 2003 BFL
  10. artur1984g опубликовал тема в VAG AUDI/VW/SEAT/SKODA
    Всем доброго времени суток приехало авто на привязку блока МЕ 7.1.1. На авто стоял двигатель 3.8 установили 4.2 и акпп от него же. Нашел на ross tech инструкцию по привязке блока вычитал пин коды, с одного епрома в другой руками переложил immo id и vin но при вводе pin блок его принимает а 050 канал адаптации закрыт как быть дальше нужен совет. кодировки блока совпадают не совпадают обьемы двигателей. номера блоков совпадаю (vag номера)
  11. artur1984g ответил artur1984g тема в Cirtoen, Peugeot
    NEC
  12. artur1984g опубликовал тема в Cirtoen, Peugeot
    Всем доброго времени суток. Подскажите пожалуйста на Пежо 307 2002г нужно поменять BSI. Правильно ли я занулил EEprom и достаточно ли его будет под привязку PP2000 если со старого вычитать PIN (bsi с разбора от Citroen) пежо bsi307eeprom_virgin.BIN
  13. artur1984g опубликовал тема в LANDROVER, ROVER
    Всем доброго времени суток приехал на тросу LR discavery 2 2.5 TDI можно ли в этом авто сделать иммо офф номер блока NNN500250, прдпологаю что это MEMS 3 (за вознаграждение),
  14. Да действительно была стружка в трамблере. Почистил продул и все запустилось, но менять его все равно придется т. к. подшипник развалился. Всем спасибо за помощь.
  15. Понял Спасибо
Яндекс цитирования

Account

Navigation

Поиск

Настройте push-уведомления браузера

Chrome (Android)
  1. Tap the lock icon next to the address bar.
  2. Tap Permissions → Notifications.
  3. Adjust your preference.
Chrome (Desktop)
  1. Click the padlock icon in the address bar.
  2. Select Site settings.
  3. Find Notifications and adjust your preference.