Перейти к содержанию
View in the app

A better way to browse. Learn more.

AUTO-BK.RU FORUM

A full-screen app on your home screen with push notifications, badges and more.

To install this app on iOS and iPadOS
  1. Tap the Share icon in Safari
  2. Scroll the menu and tap Add to Home Screen.
  3. Tap Add in the top-right corner.
To install this app on Android
  1. Tap the 3-dot menu (⋮) in the top-right corner of the browser.
  2. Tap Add to Home screen or Install app.
  3. Confirm by tapping Install.

sandrinho1982

Master
  • Зарегистрирован

  • Посещение

Весь контент sandrinho1982

  1. Привет всем! Прошу помощи у специалистов по немецким авто. Считал Кессом прошивку с вышеуказанного автомобиля, отправил калибровщику, при начале записи выдает ошибку и не пишет ни сток, ни тюн, через recovery тоже не хочет. Иденты кессу тоже не отдает. Снял на стол, считал к-тагом - флэш один в один со считанной кессом. Лаунч видит мозги, даже ошибки выдает (00000 окончание вывода, и p20030), но их расшифровки не нашел, чек не горит и авто не заводится. Прикладываю то что считал кессом и ктагом. Может кто-нибудь проверить на адекватность флэш и епром? 2021_11_11vwtouareg.7z
  2. Привет всем! Требуется на вычитанном стоке вышеуказанного автомобиля сделать Евро-2. Прошивки с другими идентами не предлагайте, у самого есть, нужно именно на стоке. С предложениями в ЛС. Оплата по результату. PE3D-188K2-H-20210818-202100.bin
  3. Приветствую всех! Кто сможет сделать тюнинг на вышеуказанный автомобиль, желательно с Евро-2? Блок MED 17. Есть еще два вопроса по тюнингу прошивок: на Outlander 3 клиент хочет активировать в прошивке режим Eco-mode (про все доработки в курсе, интересует именно прошивка с активированным режимом). Также на Mazda CX-7 нужно снять ограничение скорости и тюнинг с Евро-2. Стоки еще не считывал, машины в соседнем городе. Кто сможет помочь - в личку с предложениями и ценами.
  4. Привет всем, подскажите, пожалуйста, кто в курсе, необходимо прошить Rav4 с идентами 89663-42К40. Имеется прошивка с идентами 89663-42К20. Стоит или не стоит пробовать ее писать? Или может быть стоком необходимым кто поделится...
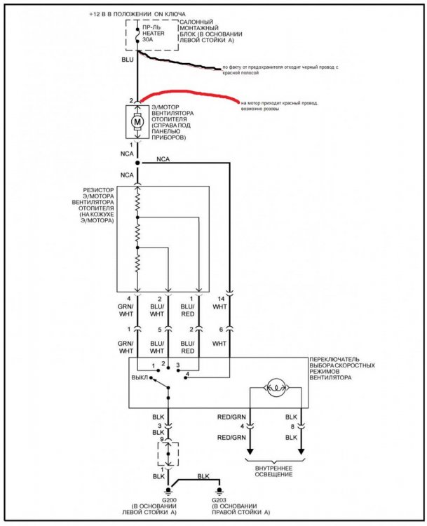
  5. Всем привет! прошу помощи в поиске электросхемы системы отопления, а конкретно - не приходит плюс на мотор вентилятора отопителя, при принудительной подаче все работает в штатном режиме. Те схемы что нашел в интернете не подходят, на них плюс идет напрямую с предохранителя, а у меня с предохранителя уходит черный с красной полосой, а приходит на мотор красный (или розовый). Идти по проводке - это разбирать полмашины, кидать нештатный провод - тоже не вариант, клиент просит разобраться. Буду благодарен за помощь. Автомобиль калининградской сборки, 2005 года выпуска, но еще в кузове Sportage 1.
  6. Работал у дилеров, приезжали Тойоты и Лексусы с горящими лампами ABS после простого подключения Лаунча. Так что, не имея Techstream лучше туда не лезть.
  7. Подозревать можно что угодно, нужно проверять. Искра, впрыск, давление топлива для начала.
  8. На Camry v50 штук пять разных аудиосистем устанавливалось...
  9. А какие могут быть мысли кроме как искать по схеме где теряется питание?
  10. Давление в рампе диагностическим оборудованием (сканером) не увидите. Нужен маханический манометр, через тройник подключенный в систему.
  11. Совсем не ерунду Вам пишут. За 5 000 купите на разборке и думаете автомобиль заведется на этом блоке?, можете загуглить сколько стоит база загрузчика, плюс модуль на данный блок.
  12. ЕЛМкой врядли что-то увидите. Нужна программа Techstream с соответствующим адаптером. Давление наддува нужно смотреть, запрошенное контроллером и фактическое. И как Вы определяете, что расход сразу увеличивается? Моментальный расход ни о чем не говорит, он может быть и 80 и 90. Смотреть нужно коррекцию долгосрочную и краткосрочную на разных режимах. Контроллер умеет увеличивать и уменьшать впрыск на 25 процентов, если коэффициент коррекции переваливает за 25 - выскакивает ошибка по богатой либо по бедной смеси. И если она у Вас разгоняется до сотни за 7-8 секунд - не мешайте ей работать.
  13. 7-8 секунд против заводских 11 - это "не едет"?)
  14. Все, вроде разобрался!)
  15. Как я понимаю, самих софтов несколько разных видов, у меня R63 скорее всего, нашел R63, но не вижу по каким адресам. Кто-нибудь поможет склеить софт с калибровками под заливку в BSL?
  16. Привет всем! Имеется вышеуказанное чудо украинского автомобилестроения, мотор китайский 1.5 л. Задача стоит сделать Евро-2. На мозгах наклейки нет. Изначально опенбоксом считал иденты и Flash. Нашел в базе тюненую прошивку с такими же идентами, подключаюсь по обд, нажимаю записать флэш - в ответ типа несовместимый софт, и все, на связь выходить перестал, машину не заводит, снятие клеммы не помогло. Снял блок, подключил на столе, тем же опенбоксом через БСЛ читает и пишет, но в обычном режиме на связь не идет. Сравниваю вычитанный фулл с фуллом из складчин - калибровки один в один, а тело самой программы вообще не совпадает. Может есть у кого стоки с такими идентами, сравнить? Вычитанный размер в бсл составляет 896 кб., а фулл из складчин 576 кб, но в считанном файле после 576 кб. остаток прошивки забит 9В 00. Прикладываю то что считал по обд, в бсл, и сток с такими же идентами из складчин. Не пойму почему так сильно отличается тело прошивки, хотя иденты один в один. У кого какие мысли? Flash_14120007schitanovbsl.bin Flash_12121447schitanopoobd.bin PIT111AV154003.rar
  17. В актив тестах должно быть отпереть/запереть блокиратор, поиграйтесь и посмотрите реакцию. В техдоке есть хорошие, цветные схемы, прозвоните проводку, если целая - соответственно дело в блокираторе. Можно попробовать принудительно заблокировать/разблокировать, будет понятно в какую сторону копать.
  18. Хозяин просит аналоговый Шер-Хан установить.
  19. Привет всем, подскажите, пожалуйста, точки аналогового подключения сигнализации к автомобилю Kia Rio 2019 года выпуска, больше всего интересует центральный замок и концевики дверей. Все что нашел поиском - это подключение на кан-шину.
  20. Спасибо всем откликнувшимся, пин-код от Sogd успешно подошел.
  21. Привет всем! Помогите, пожалуйста, вытянуть пин из Eeprom (95128) BSI (Johnson Controls) автомобиля Peugeot 3008. 95128rodnoieeprom.bin
  22. Привет! Да, пока актуально.
  23. Собственно, вопрос в названии темы. Готов приобрести.
Яндекс цитирования

Account

Navigation

Поиск

Настройте push-уведомления браузера

Chrome (Android)
  1. Tap the lock icon next to the address bar.
  2. Tap Permissions → Notifications.
  3. Adjust your preference.
Chrome (Desktop)
  1. Click the padlock icon in the address bar.
  2. Select Site settings.
  3. Find Notifications and adjust your preference.