Перейти к содержанию
View in the app

A better way to browse. Learn more.

AUTO-BK.RU FORUM

A full-screen app on your home screen with push notifications, badges and more.

To install this app on iOS and iPadOS
  1. Tap the Share icon in Safari
  2. Scroll the menu and tap Add to Home Screen.
  3. Tap Add in the top-right corner.
To install this app on Android
  1. Tap the 3-dot menu (⋮) in the top-right corner of the browser.
  2. Tap Add to Home screen or Install app.
  3. Confirm by tapping Install.

Featured Replies

Опубликовано

Имеем  Chevrolet Spark M300 2012 г.в.

Нет зажигания. Прни повороте ключа нет ACC, зажигания, и прокрутки стартера. Предохранители целые.

На борту Acdelco E83 и BCM 13589196. ЭБУ выходит на связь на столе, ID отдаёт, читается. С BCM спокойно слил прошивку, визуально всё целое. Машина после ДТП, но следов колхоза не видно, однако ЭБУ меняли(висит бирка с разборки от 22 года.

Машиной уже занимались, электрик обнаружил, что на контактную группу замка зажигания не приходит не одного плюса. Однако контактная группа там слаботочная 95961440(фото приведу ниже). До сих пор не могу найти схему, везде только классические схемы аля Нексия....

На красный провод контактной группы подали плюс, машина завелась, всё заработало. Но на утро полностью умерла немного поработав, и уже полная тишина.

Может быть кто то сталкивался с такой схемотехникой и есть схема на это чудо ?  И ещё вопрос. В монтажном блоке салона, присутствует зелёное реле логического режима. Каково его назначение ?

Заранее спасибо !

1710359676773.jpg

1710359865191.jpg

Опубликовано
  • Автор

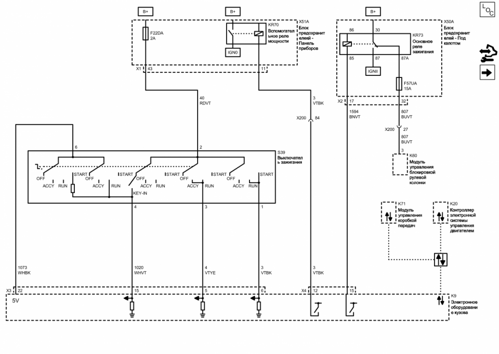
Нашёл схему на Круз, очень похоже, осталось разобраться в алгоритме 

2203154RU.png

Для публикации сообщений создайте учётную запись или авторизуйтесь

Последние посетители 0

  • Ни одного зарегистрированного пользователя не просматривает данную страницу
Яндекс цитирования

Настройте push-уведомления браузера

Chrome (Android)
  1. Tap the lock icon next to the address bar.
  2. Tap Permissions → Notifications.
  3. Adjust your preference.
Chrome (Desktop)
  1. Click the padlock icon in the address bar.
  2. Select Site settings.
  3. Find Notifications and adjust your preference.