Весь контент Sebbat
-
Citroen C2 Sagem S2000 95160 контролька на пин
Необходима замена ЭБУ. Еепром 95160. Может ли кто помочь расчитать контрольку на пин (нужно в donor вставить пин MGLH) ? И прокатит ли для синхры блока замена только пина с контролькой ? Замена всего еепрома не помогла, блок по номерам немного другой. s2000-donor-C7U5.bin s2000-rodnoj-MGLH.bin
-
Fiat Bravo-Brava-Marea 1.8 бензин 1998 - взаимозаменяемость ЭБУ
только добрался сделать второе фото... один из процев в одном блоке smd а в другом дип корпус - в остальном визуально по плате похоже
-
Fiat Bravo-Brava-Marea 1.8 бензин 1998 - взаимозаменяемость ЭБУ
чуть позже скину фото наклеек
-
Fiat Bravo-Brava-Marea 1.8 бензин 1998 - взаимозаменяемость ЭБУ
Может кто меня ЭБУ на данном авто - блок MFI-003 и MFI-009 взаимозаменяемы или нет ?
-
Peugeot 308 2018 - что внутри ?
тут сверху два паза под штырьки - и вроде как наживается что-то - но как ни тяни - не идет (
-
Peugeot 308 2018 - что внутри ?
-
Peugeot 308 2018 - что внутри ?
пока даже панель снять не получилось, не вылазит и все тут. Уже и мерсовскими съемниками пробовал и просто штыри - не отжимается чего-то, а ковырять не хочется...
-
Peugeot 308 2018 - что внутри ?
по дырке стремновато, любят они засыпать... разве что панель. Лучше потратить на разбор немного времени. К тому же журнал вряд ли по обд правится
-
Peugeot 308 2018 - что внутри ?
Спасибо ! А с разбором проблем нет ?
-
Peugeot 308 2018 - что внутри ?
Просится на смотку такое авто - кто-нибудь мотал ? что ожидать внутри ?
-
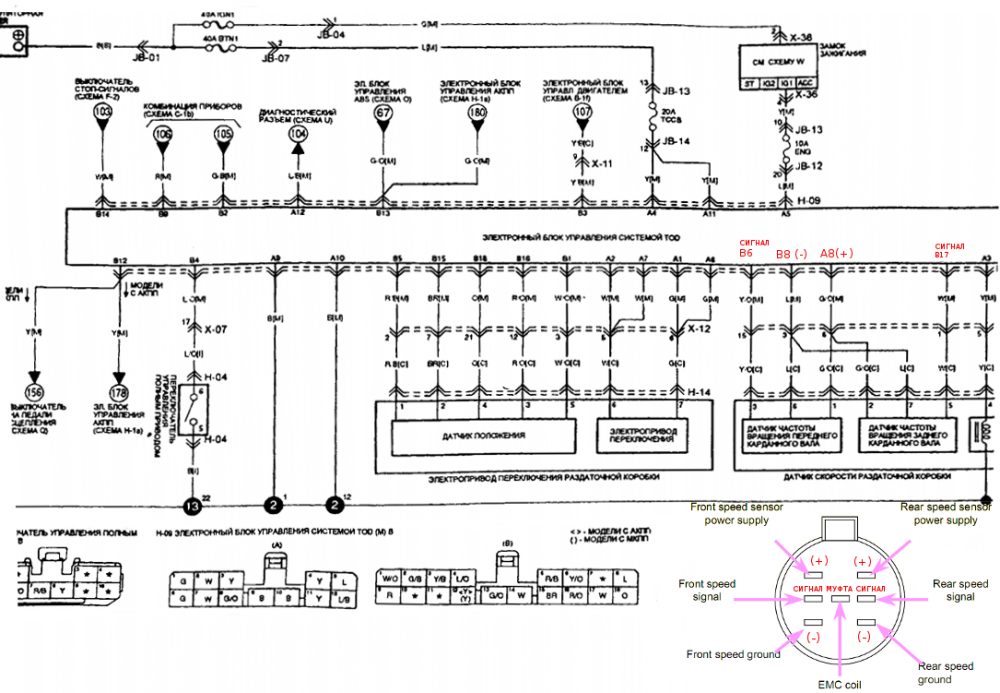
Kia Sorento 2003 2.5D = нужна схема по 4wd
-
Kia Sorento 2003 2.5D = нужна схема по 4wd
Восстановили проводку - теперь 4 wd загорается на панели, но переключателем когда переключаешь режимы ничего не отображается на дисплее. На диагностику тоже не выходит. Линию диагностики прозвонили. Нужна полная электросхема, имеется только частичная. Ну и может кто подскажет, как она должна работать в плане включения, должно ли отображаться на панели что-то. Машина пока не на ходу. По другим блокам нет ошибок.
-
Citroen C5 2003 - слетают ключи
может это их нормальный режим работы - после снятия клеммы включить зажигание, через минут 3-5 начинают работать ключи ?
-
Citroen C5 2003 - слетают ключи
бси был именно заменен, с родной флешью...
-
Citroen C5 2003 - слетают ключи
у меня в бси моторолла да и бодик целиком другой подкидываю
-
Citroen C5 2003 - слетают ключи
да пофиг, по-разному пробовал...
-
Citroen C5 2003 - слетают ключи
не, это сразу проверил. Да и тогда любым ключом бы заводилась и радиоканал не работал бы. А так иммо работает как надо, до снятия клеммы.
-
Citroen C5 2003 - слетают ключи
При снятия питания с бси или снятия клеммы полностью слетают ключи. И радиоканал и сами чипы. Причем в параметрах остаются 2 записанных ключа, просто перестают распознаваться. Поменял бси с полным переливом проца (флеш+еепром), потом попробовал просто поставить другой бси с привязкой лексией - то же самое. Может ли быть косяк в конфигурации или искать его еще где-то, например в подрулевом ? Ошибок по бси и подрулевом нет. После слета записываю по новой - все работает до снятия клеммы...
-
RCD310 Blaupunkt - помогите с двумя цифрами...
понял
-
RCD310 Blaupunkt - помогите с двумя цифрами...
блин, значит 9 правильно вычислилась, а вот почему с 3 ошибся... Спасибо !
-
RCD310 Blaupunkt - помогите с двумя цифрами...
Что-то запутался, 38 или 39... Хотя обычно 0 или 1 первая... rcd310-mod.bin rcd310-orig.bin
-
Ford Transit 2005 Delphi - нужна распиновка BDM
Нужна распиновка площадки BDM данного ЭБУ для считывания содержимого. Пробовал через галетовский переходник Delphi галетой - не прочиталось ( Внешнее питание подавал.
-
Ford Transit 2004 не работает стрелка спидометра
а для замены конфигурации в бодике форскана хватит или ford vcm ставить ?
-
Ford Transit 2004 не работает стрелка спидометра
поправка, автомобиль оказался 2007 года
-
Ford Transit 2004 не работает стрелка спидометра
В авто присутствует тахограф, в данный момент он перестал работать, не включается. Возможно в связи с этим перестал работать спидометр (стрелка), суточник пробег работает. Замена панели результата не дала. Нужна перепрошивка самого щитка или еще каких-то блоков ?