Весь контент kuzmitch
-
Ремонт ЭБУ BoschМЕ 17.9.71 УАЗ Patriot
А точно резистор? Более похож на конденсатор. Хотя качество фото не очень, сложно разглядеть...
-
Проблема с мотор-редуктором Приора "HALLA"
Спасибо за утверждение! Так и поступим. А то закрались сомнения. Теперь все встало на свои места.
-
Проблема с мотор-редуктором Приора "HALLA"
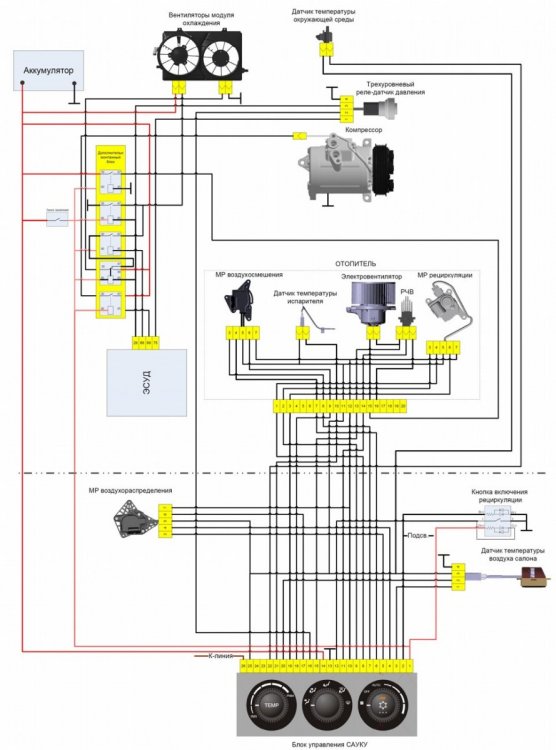
@тас Сейчас ещё раз "покурил" схему и думаю в ней ошибка, т.к. при включении кондея оба вентилятора будут маслать на всю мощность. Может нужно с ДД контакт 3 подключить на 68пин, а не на 29пин? Тогда при включении кондея оба вентилятора будут работать не на полную, т.к. подключены будут последовательно. Что скажите?
-
Проблема с мотор-редуктором Приора "HALLA"
Спасибо за информацию🤝
-
Проблема с мотор-редуктором Приора "HALLA"
Я наверное не так выразился, имел в виду сами клеммы под обжим, их название. На разборках отдельно колодку 81пин не продают, а покупать проводку ради 4ох клемм нет смысла.
-
Проблема с мотор-редуктором Приора "HALLA"
Кто может подсказать - какие клеммы используются в колодке эбу 81pin?
-
Проблема с мотор-редуктором Приора "HALLA"
С Р4 контакт 87 идет на компрессор (не дорисовал, сейчас заметил 🙂)
-
Проблема с мотор-редуктором Приора "HALLA"
Всем вечер добрый! Не буду плодить кучу тем, продолжу здесь. В планах внедрить кондей от приоры Halla. Торпеда от Приоры с САУКУ от Halla установлена, отопитель под кондей Halla в сборе установлен. Все подключено и работает. Приобрел вот такую "кассету" с двумя вентиляторами - ТЫЦ. Сейчас стоит задача пока подключить только два вентилятора. В прошивке хочу поставить включение вент.1 - 97гр., а вент.2 - 99гр., выкл. - 94гр. Нарисовал схему нужного мне участка (рисунок ниже) и как понял ее работу - при достижении 97гр. с эбу пин68 поступает минус, срабатывает Р1 и получается, что включаются сразу два вентилятора, но не на полную, а на половину, так как они подключены последовательно. А по достижении 99гр. на пин29 эбу появляется минус, срабатывают Р2 и Р3 и оба вентилятора уже маслают на полную мощность. Я правильно понял? И не понял - при включении кондея вроде должен включится малый вентилятор, но вот как он включится, так и не понял. Кому не сложно, подскажите.
-
Проблема с мотор-редуктором Приора "HALLA"
- Проблема с мотор-редуктором Приора "HALLA"
Нет, поменял местами тоже. Я же писал выше, что по схеме работала с точностью да наоборот.- Проблема с мотор-редуктором Приора "HALLA"
Поменял мечтами выводы 3-4 и 5-7 и заработало как надо. Ещё раз спасибо за пинок🤝 Не понятно, почему по схеме работало с точностью да наоборот?!- Проблема с мотор-редуктором Приора "HALLA"
Как попробую, отпишусь о результате. Но что то подсказывает, что это сработает🙂- Проблема с мотор-редуктором Приора "HALLA"
Так завтра попробую сделать, посмотрим, что получиться 🙂 Мне не понятно - почему согласно схеме работает наоборот?! Спасибо за "пинок" 👍 Пол дня голову ломал, но не сообразил....- Проблема с мотор-редуктором Приора "HALLA"
- Проблема с мотор-редуктором Приора "HALLA"
Да, это 6 вывод, но с кем его поменять? Может попробовать выводы 7 - (+5в.) и 5 - (gnd) местами поменять и полярность выводов 3 и 4? Сейчас нарисую как изнутри всё это выглядит.- Проблема с мотор-редуктором Приора "HALLA"
- Проблема с мотор-редуктором Приора "HALLA"
Пять. 3 - (-), 4 - (+), 5 - (gnd), 6 - (сигнальный), 7 - (+5в.)- Проблема с мотор-редуктором Приора "HALLA"
Всём привет! Ситуация такая. ВАЗ 21124, ранее установил торпеду от Приоры с САУКУ от HALLA. Прихолкозид мотор-редуктор от Приоры в печку. Всё это дело работало. Купил отопитель в сборе от Приоры с кондеем HALLA, подключил всё необходимое и вот с мотор-редуктором на тепло холод засада какая то... Подключаю всё по схеме и он работает с точность да наоборот. Кручу ручку в тепло и дует холодный воздух, кручу в холод и дует горячий воздух. Пробовал полярность поменять в фишке мотор-редуктора (выводы 3 и 4 местами по схеме) вообще отказывается работать. Уже всю голову сломал... Всё прозвонил раз десять, схему уже до дыр изучил, но так и не понял в чем прикол.... Сталкивался кто нибудь с такой ситуацией? Может я что то где то туплю. Схемы прилагаю.- Прошивки Bosch 7.9.7
Если задача экономить на бензине, то затея неудачная. По факту траты от заправки до заправки будут равны, а машина будетъ хуже ехать. Правильно подготовленная прошивка под 95 бенз и едет шустро и кушает мало. Вот куда нужно обратить взор. А если уж так хочется 92 бенз лить, то меняй прокладку ГБЦ на металлопакет и лей тогда прошивку под 92. Но затея ни о чем.- Прошивки Bosch 7.9.7
В дополнении о расходе на правильной прошивке 7.9.7+ Первая трасса пустая, утро. Вторая с обгонами и плотном движении вечером сегодня. И это при том,что машина едет бодро и на обгон идёт уверенно. На Я7.2 ниже 7л/на 100 не опускалась.- Утилиты для работы с картами CTP3.10
Более не актуально. Нашёл. Всём кто помогал - спасибо!- Утилиты для работы с картами CTP3.10
Всем привет! Приподыму тему. Кому не сложно, поделитесь картой для ctp4.10 для прошивки 7.9.7+ b105dr09. Можно и более свежих версий программы.- Прошивки под ГБО для автомобилей ВАЗ
Зачем тогда машину покупать? Можно купить велосипед и экономить на топливе 100% Вы знаете какое актановое число у газа? И под какое расчитан бензиновый мотор. Без доработки мотора под гбо быстрее убивает его. P.S. Ещё и ездить с "бомбой" в багажнике, тот ещё адреналин.- Прошивки под ГБО для автомобилей ВАЗ
Можно вопрос? Зачем переводить бензиновый двигатель на газ? В чем прикол? Быстрее убить мотор?- Прошивки Bosch 7.9.7
- Проблема с мотор-редуктором Приора "HALLA"