Перейти к содержанию
View in the app

A better way to browse. Learn more.

AUTO-BK.RU FORUM

A full-screen app on your home screen with push notifications, badges and more.

To install this app on iOS and iPadOS
  1. Tap the Share icon in Safari
  2. Scroll the menu and tap Add to Home Screen.
  3. Tap Add in the top-right corner.
To install this app on Android
  1. Tap the 3-dot menu (⋮) in the top-right corner of the browser.
  2. Tap Add to Home screen or Install app.
  3. Confirm by tapping Install.

KYB1975

Master
  • Зарегистрирован

  • Посещение

Весь контент KYB1975

  1. А сам моторник видет стопы и сигнал на запуск?
  2. Должна быть штатная система охраны с блокировкой стартера.
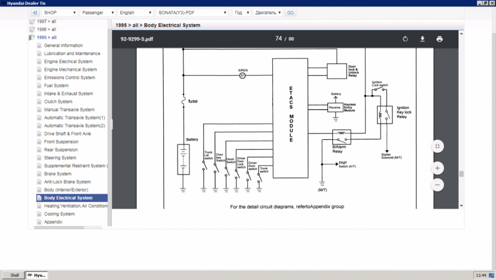
  3. На сонате 1996 я тоже не нашел в схемах.
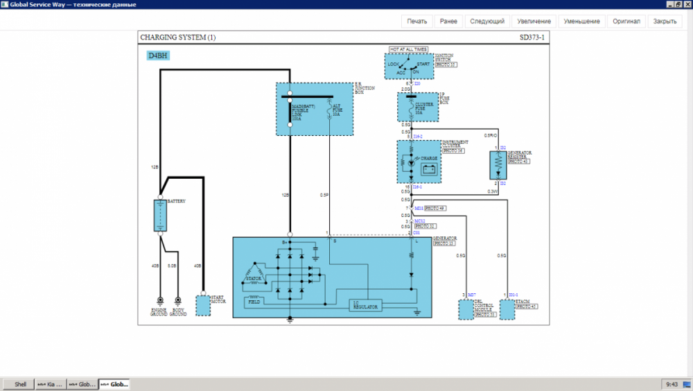
  4. Что Вы уперлись в лампу? Смотрите 30-у на гене через пред.
  5. Правильно ты мыслишь. Ищи где потери.
  6. А может не стоит "генщикам" доверять которые не могут отличить генератор обычный от цифрового? При условии что АКБ в говно данное напряжение реально.
  7. Что-то я лина не нашел не в одной схеме
  8. KYB1975 ответил lavr23 тема в Hyundai, Kia
    Должна процедура проходить, тем же ланчем переделал их вагон. Паркинг, ручник и вперед. Если рейка гидравлика делаем через АБС, электро рейка то через нее.
  9. KYB1975 ответил lavr23 тема в Hyundai, Kia
    Калибруем через какую систему?
  10. KYB1975 ответил lavr23 тема в Hyundai, Kia
    Датчик от шлейфа идет отдельно. При условии что все процедуры по замене выполнены корректно ошибки не должно быть. Разбираем, по сканеру ставим оптимальное положение датчика, собираем.
  11. Ксенон не штатный поди? Покопай в эту сторону.
  12. ,IMMO отваливается на раз. Просел АКБ и приехали. . Запустите сначала диагностику, она идет через рессивер иммо. IMMO.pdf
  13. Синхра - похожа на правду. Вот сигнал с колена просто ужас. В чем причина?
  14. Если европейка то стоит иммо. А как себя ведет лампа IMMO?
  15. Синхру ДПКВ выложи
  16. С учетом заряженного АКБ ток великоват. Проверь что тянет на себя АКБ.
  17. Выходит что правая половина по ходу движения.
  18. Низкого можно определить сняв разъем, он доступен, высокого обычно указывается 1 или 2. Полный скрин ошибки можно посмотреть? А так же в ОBD формате.
  19. Барашек это для дизелей.
  20. Выше EURO III заклинания не уже помогают, Козу или хряка в жертву надо. Если хряк крупный можно на 2х авто сразу ошибки сбросить.
Яндекс цитирования

Настройте push-уведомления браузера

Chrome (Android)
  1. Tap the lock icon next to the address bar.
  2. Tap Permissions → Notifications.
  3. Adjust your preference.
Chrome (Desktop)
  1. Click the padlock icon in the address bar.
  2. Select Site settings.
  3. Find Notifications and adjust your preference.